Web Analytics Made Easy - Statcounter
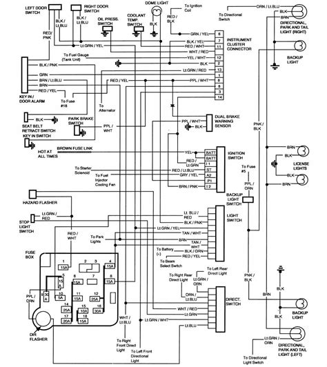
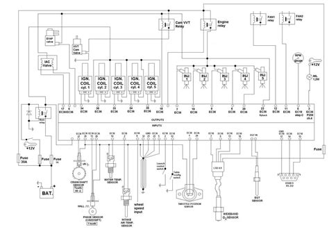
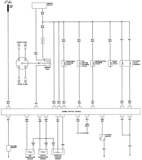
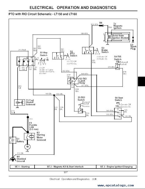
Transpo Regulator Wiring Diagram: Fix Your Charging System

Transpo Regulator Wiring Diagram: Fix Your Charging System

Transpo Regulator Wiring Diagram: Fix Your Charging System Transpo regulator wiring diagram alternator wiring porsche d